おすすめ物件

物件番号 新築戸建

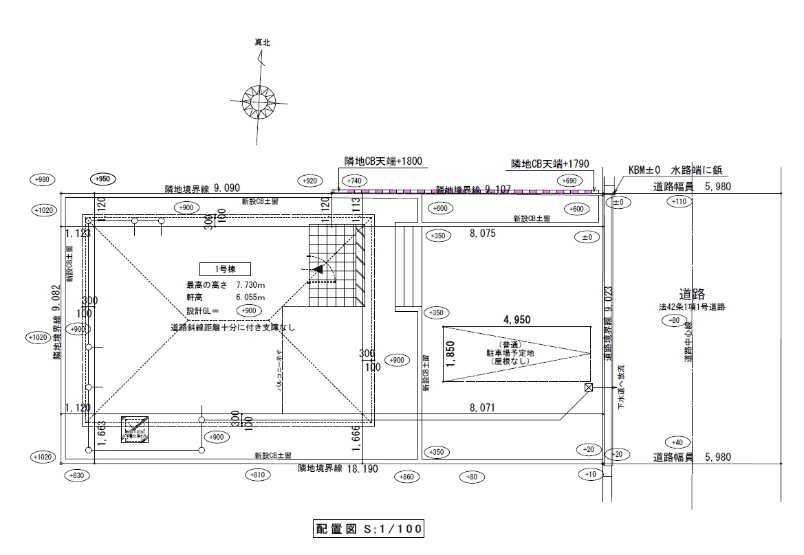
菰野町大羽根園柴垣町 1号棟

◆制震装置設置住宅・耐震等級3取得◆
◆ZEH水準・防犯カメラ完備◆

◆地震に強い家(耐震+制震)◆

販売価格 2,490 万円
住所 菰野町大羽根園柴垣町(第2-1号棟)
交通 近鉄湯の山線『大羽根園』駅 徒歩約10分
間取り 4LDK
構造 木造2階建て
建築年月日 2026年4月(令和8年4月)
土地面積 164.99㎡(49.90坪)
建物面積 109.08㎡(32.99坪)
都市計画 市街化区域
用途地域 第1種中高層
建ぺい率 60%
容積率 200%
現況 完成済み
引渡し日 即時
接道 東側幅員約5.9m公道に約9.02m接道
設備 公営水道、公共下水、オール電化
取引態様 仲介
備考 ◆建築確認番号/第HPA-25-14456-1号
◆駐車場/3台

エステート・エージェントが解説する
良い点悪い点